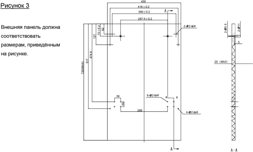
Посудомоечная машина LEX PM 4542 B
БрендLEXТипузкаяМаксимальная потребляемая мощность2100МодельPM 4542 BPartNumber/Артикул ПроизводителяCHMI000304Длина упаковки (ед)0.56Ширина упаковки (ед)0.45Высота упаковки (ед)0.82Габариты упаковки (ед) ДхШхВ0.56x0.45x0.82Вес упаковки (ед)32Объем упаковки (ед)0.20664Тип встраиванияполностьюЗагрузка, комплектов посуды9Тип управленияэлектронноеКласс энергопотребленияA++Класс мойкиAКласс сушкиAТип сушкиконденсационная (традиционная)Защита от протечекДАТип защиты от протечекAquaBlockМинимальный расход воды9Максимальный расход воды16.5Максимальный уровень шума49Количество программ мойки4Таймер отсрочки запускаДАОтсрочка запуска12Количество корзин2Корзина для столовых приборовДАИндикатор наличия солиДАИндикатор наличия ополаскивателяДАДлина сетевого кабеля150Ширина44.8Высота81.5Глубина55.8Размеры44.8x81.5x55.8смВысота ниши для встраивания (мин)82Ширина ниши для встраивания45Глубина ниши для встраивания56Размеры для встраиванияx45x56смВес31Режим половинной загрузкиДАЭкономичная программаДАЭкспресс-программаДАПрограмма интенсивной мойкиДАСсылка на сайт поставщика/вендораhttps://lex1. ru/shop/posudomoechnye-mashiny-lex/posudomoechnye-mashiny-45-sm/lex-pm-4542-b/ПрограммыИнтенсивная, Экономная, 90 минут, Быстрая. ТипВстраиваемая посудомоечная машина






























